သင်ဒီမှာပါ: ပင်မစာမျက်နှာ \ t » သတင်း » ထုတ်ကုန်များသတင်းအချက်အလက် » Dongfeng Eq2082E6D Cross-Country Car Spare Parts Directory - အင်ဂျင်

Dongfeng Eq2082E6D Cross-Country Car Spare Parts Directory - အင်ဂျင်

views:1     Author:ဆိုက်ကို Editor ကို     အချိန် Publish: 2021-09-17      မူလ:ဆိုက်ကို

အင်ဂျင်ဆလင်ဒါပိတ်ပင်တားဆီးမှု

2kol


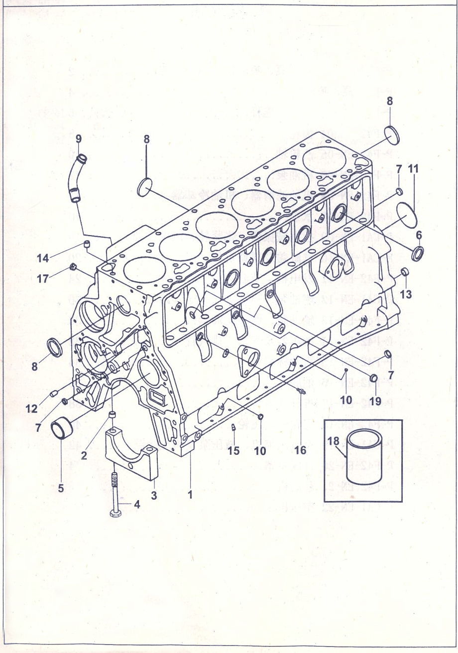
ဆလင်ဒါပိတ်ဆို့ P-F42-en-01
မှတ်သား အပိုအရေအတွက် အပိုပစ္စည်းအမည် အရေအတွက်
1 A3905806 (ကိုးကားအရေအတွက် 2, 3, 4, 6, 6 အပါအ 0 င်ဆလင်ဒါစည်းဝေးပွဲများ 1
2 A3900068 လက်စွပ်တည်နေရာ 14
3 A3900967 အဓိက bearing အဖုံး 7
4 A3904217 ဗိုင်းလိပ်တံ Cover Bolt 14
5 A3901306 Cam Shaft Bushing 1
6 A3007635 ခွက် 4
7 A3900956 ခွက် 3
8 A3900965 ခွက် 5
9 A3903744 Uplotharm ရေနံ 1
10 A3900955 ပလပ်ဂ် 2
11 A3900687 ပလပ်ဂ် 1
12 A3900257 နေရာချထား 2
13 A3900068 တည်နေရာလက်စွပ် (ပျံသန်းသည့်ဘီးခွံ) 2
14 A3902343 လက်စွပ်တည်နေရာ 2
15 A3919002 ပစ္စတင်အအေး nozzle 6
16 rq65106-j8 ဖြောင့်ဖက်ပူးတွဲခန္ဓာကိုယ်ပြ 1
17 rq61904 ဆန့်ကျင်ဘက် conical ဝက်အူ 1
18 A3904166 ဆလင်ဒါလက်တစ်ဖက် (ပြုပြင်ရန်အတွက်သာ)
19 rq61801 ဝက်အူ 1
























































ဤဆောင်းပါးကို Dongfeng Motor Company မှ \"Dongfeng Motor Company မှ\" Dongfeng EQ2082E6D Off-Road-Road-Road Parts လမ်းညွှန် \"

Hubei Off-Road အထူးယာဉ်ကုမ္ပဏီလီမိတက်
Address: China, Hubei Province, Maijian ခရိုင်၊ Dongyi ရိပ်သာလမ်းအမှတ် ၆
Tel: 86-719-8888190 Tel: 86-18986895008 / 86-18986890909 အီးမေးလ်:fanya_trade@163.com
မူပိုင်ခွင့်© 2021 Hubei Off-Road အထူးမော်တော်ယာဉ်ကုမ္ပဏီလီမိတက်မှတ်ပုံတင်လက်မှတ်နံပါတ် -Hubei ICP အမှတ် 20010516-3